Musíte změnit nastavení vašeho prohlížeče
Podívejte se na:
Jak povolit JavaScript ve vašem prohlížeči
.
Pokud používáte software na blokování reklam, může být nutné povolit JavaScript z této stránky.
Děkujeme.
Používáme cookies, abychom Vám umožnili pohodlné prohlížení webu a díky analýze provozu webu neustále zlepšovali jeho funkce, výkon a použitelnost.
Obchodní podmínky
Nastavení
Odmítnout
Souhlasím
Přejít na obsah
Přihlášení k vašemu účtu
Nemůžete vyplnit toto pole
Přihlásit se
Nová registrace
Zapomenuté heslo
nebo
Přihlásit se přes Facebook
Přihlásit se přes Google
Tabulka velikostí
Kontakt
Obchodní podmínky
Více
Ceny v:
CZK
CZK
EUR
Přihlášení
Registrace
Hledat
Hledat
Nákupní košík
Prázdný košík
CAPIRELLI
Náhradní díly CAPIRELLI
ND motor 50ccm
,
ND motor 125ccm
,
ND Adonice
,
ND Cappucino
,
ND Diablo
,
ND Grande Porto
,
ND Grand Tour
,
ND Imola
,
ND Maximus
,
ND Mustang
,
ND New Maximus
,
ND New Maximus II
,
ND PiaVento
,
ND Porto
,
ND Torino
,
ND Torino ZZ
,
ND Rome
,
ND EKOLOBEZKY URBANO
,
ND ATV Bambino
,
ND ATV Vulcano, Foresto
,
ND Trento
Příslušenství CAPIRELLI
Zrcátka
,
Ochranné plachty
,
Ochranná plexiskla
,
Kufry a zavazadla
Skútry a moto CAPIRELLI
PRO MOTORKÁŘE
Pánské
Terén
,
Silnice
Dámské
Kalhoty
,
Rukavice
,
Bundy
,
Boty
,
Chrániče
,
Kombinézy
,
Termoprádlo
,
Přilby
,
Dresy
,
Trička, košile a mikiny
,
Ledvinové pásy
Dětské
Chrániče
,
Rukavice
,
Bundy
,
Kalhoty
,
Boty
,
Brýle
,
Přilby
,
Ponožky a podkolenky
,
Dresy
,
Termoprádlo
Přilby
Překlopné
,
Výklopné
,
Cyklo
,
S odnímatelnou čelistí
,
Enduro s plexi
,
Integrální
,
Motokrosové
,
Otevřené bez plexi
,
Otevřené s plexi
,
Přilby na skútr
,
Trial
,
Příslušenství a díly pro přilby
Moto boty
Dětské
,
Pánské
,
Dámské
Moto chrániče
Moto chrániče dětské
,
Moto chrániče pro dospělé
,
Kukly a šátky
,
Airbagové vesty a bundy
Moto rukavice
Dětské rukavice
,
Motokrosové rukavice
,
Cestovní rukavice
Motocyklové brýle
Náhradní díly
,
Moto brýle dospělé
Sportovní
Doplňky a díly
,
Kolekce hybridního oblečení
,
Bundy, vesty
,
Dresy
,
Funkční prádlo
,
Mikiny
,
Návleky
,
Návleky na tretry
,
Ponožky, podkolenky
,
Rukavice
,
Čepice, čelenky, kukly
Volnočasové oblečení
Obuv
,
Kukly a šátky
,
Ponožky a podkolenky
,
Funkční prádlo
,
Trika
,
Čepice
,
Doplňky
,
Batohy a cestovní tašky
,
Bundy
,
Mikiny
,
Kalhoty a kraťasy
,
Plavky
,
Sluneční brýle
,
Hodinky
,
Spodní prádlo
Oblečení, vybavení a dárky CFMOTO
ATV/Moto oblečení
,
Batohy, tašky, kufry
,
CF MOTO Racing ASPAR Team
,
Dárkové předměty
,
Helmy, brýle
,
Modely, plyšáci
,
Rukavice
,
Volnočasové oblečení
Tabulky velikostí
PRO MOTORKU
Příslušenství
Elektro a komunikace
,
Doplňky
,
Upevňovací systémy
,
Mycí pasty, gely, krémy - péče o ruce
,
Nářadí a přípravky
,
Plachty
,
Povinná a doporučená výbava
,
Přeprava motocyklů a ATV
,
Stojany a hevery
,
Vybavení do boxu a na trať
,
Zámky
Pneumatiky a duše
Pneu pro čtyřkolky
,
Duše
,
Pneu cross, enduro
,
Čepičky ventilků
,
Pneu pro silniční motocykly
,
Pneu pro skútry
,
Pneu pro koloběžky
,
Ventilky
,
Dráty kol
Náplně a údržba
oleje pro motocykly
,
brzdové kapaliny
,
chrom a kov
,
chladící kapaliny
,
tlumičové oleje
,
ostatní oleje 2T/4T
,
aditiva
,
ošetření vzduchového filtru
,
maziva
,
péče o řetěz
,
další přípravky
,
kartáče a škrabky
,
kůže a textil
,
převodové oleje
,
přilba a plexi
,
plasty a sedlo
,
kola a pneu
,
mytí a čištění
Díly pro údržbu
Baterie
,
Olejové filtry
,
Vzduchové filtry univerzální
,
Sportovní vzduchové filtry SPRINT FILTER
,
Motor
,
Spojka
,
Blatníky
,
Chladiče
,
Brzdy
,
Disky a kola
,
Kola, pneu, duše a další
,
Ojniční sady ATHENA
,
Osvětlení
,
Páčky dekompresoru a sytiče
,
Padací protektory
,
Plastové příchytky a gumové matice
,
Plasty na motorky Rtech
,
Plasty, kapotáže a plexiskla pro motocykly
,
Podvozek
,
Potahy MX sedel
,
Přívod paliva
,
Řídící jednotky GET
,
Řídítka a jejich díly
,
Sekundární převod
,
Termoizolační fólie
,
Těsnící papír
,
Tlumiče řízení
,
Trubky předních vidlic
,
Válečky a pružiny pro variátory
,
Variátory
,
Víčka chladičů
,
Výfuky
,
Zapalovací svíčky
,
Zrcátka a adaptéry
,
Žárovky
Náhradní díly
PODLE VÝROBCE
,
PODLE DRUHU DÍLU
,
PODLE TYPU STROJE
,
Kompletní motory
,
Plasty na motorky Rtech
,
Tuningové díly
,
Zapalovací svíčky
Kufry a zavazadla
Pouzdra na telefony a navigace
,
Batohy
,
Brašny a boxy pro čtyřkolky
,
Boční brašny
,
Boční kufry
,
Sestavy kufrů pro motocykly
,
Díly a příslušenství
,
Kožené brašny pro motocykly
,
Kufry top case
,
Ledvinky a pouzdra na nářadí
,
Magnetické tankbagy
,
Pouzdra na brýle
,
Stehenní brašny a kapsy na řidítka
,
Tankbagy s popruhy
,
Tankbagy s kotvením k víčku nádrže
,
Top case plotny
,
Vaky a batohy na přilby a boty
,
Vaky na špinavé prádlo
,
Vaky na tekutiny
,
Vodotěsné vaky a batohy
,
Zadní brašny
,
Opěrky zad na kufry a moto
,
Montážní sady
,
Vnitřní tašky do kufrů
Doplňky
Doplňky pro ATV CFMOTO
,
Doplňky pro ATV GOES
,
Doplňky na moto CFMOTO
,
Doplňky na Zontes
,
Doplňky na Moto Morini
,
Doplňky na moto MBP
,
Doplňky Keeway
,
Doplňky na BENELLI
,
Přívěsné vozíky
,
Navijáky
,
Moto Zámky
,
Kryty páček a řidítek
,
Kanystry na PHM
,
Krycí moto plachty
,
Moto Hodiny
,
Oprava pneu
,
Klíčenky a ozdoby
,
Ochranná plexiskla
,
Výfuky a kryty na moto
MOTORKY
Silniční
do 11 kW
,
do 35 kW
,
nad 35 kW
Elektrické
Minicross
Crossové
do 125 ccm
,
125 ccm
,
nad 125 ccm
,
Elektro cross
Enduro
Trial
Motard
SKÚTRY
Skútry 125 ccm
Skútry nad 125 ccm
Elektro skútry
Skútry 50 ccm
ČTYŘKOLKY
Čtyřkolky s SPZ
GOES
,
BENDA
,
ACCESS
,
APOLLO
Čtyřkolky bez SPZ
Dětské čtyřkolky
čtyřkolky od 90 do 120cm
,
Čtyřkolky od 110 do 140cm
,
Čtyřkolky od 120 do 160cm
,
Čtyřkolky od 160cm
UTV a Buggy
Dětské stroje
Seniorské vozíky
Elektro vozítka
Příslušenství pro ATV
Sněžné pásy Camso
,
Vozíky
,
Pracovní příslušenství
MOTOPŮJČOVNA
BAZAR
Bazar motorek a skútrů
Bazar atv
Výprodej skladového zboží
OBJEDNAT SERVIS
Více
Domů
/
CAPIRELLI
/
Náhradní díly CAPIRELLI
/
ND Torino ZZ
/
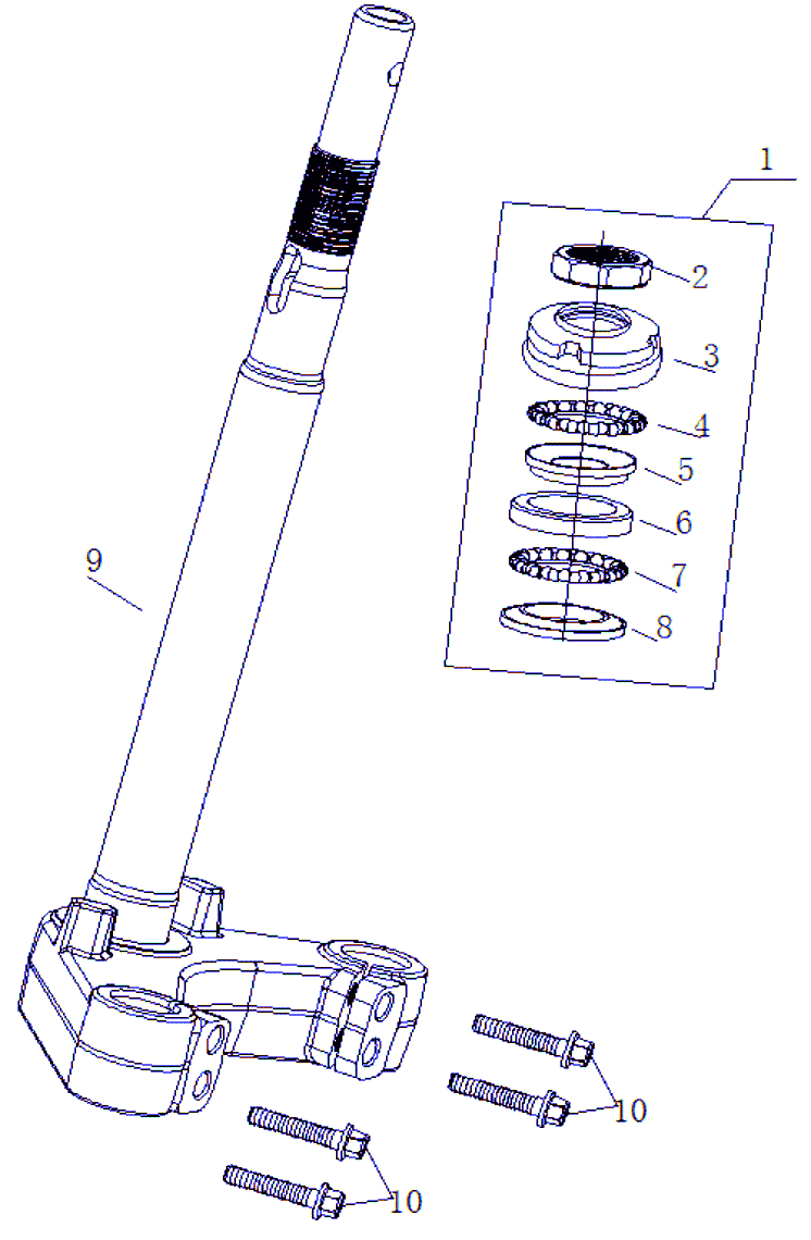
03 Tyč řízení
03 Tyč řízení
Nejprodávanější
Sestava ložisek řízení Torino ZZ
skladem
(7 ks)
TY125T-18-03-001
499 Kč
Šrouby M10×40mm Torino ZZ
skladem
(24 ks)
TY125T-18-03-010
19 Kč
Tyč řízení Torino ZZ
skladem
(3 ks)
TY125T-18-03-009
1 258 Kč
Zobrazit více produktů
Stránka
1
z
1
-
3
položek celkem
Řazení produktů
Řadit podle:
Doporučujeme
Doporučujeme
Nejlevnější
Nejdražší
Nejprodávanější
Abecedně
Výpis produktů
Sestava ložisek řízení Torino ZZ
skladem
(7 ks)
499 Kč
+
−
Do košíku
TY125T-18-03-001
Šrouby M10×40mm Torino ZZ
skladem
(24 ks)
19 Kč
+
−
Do košíku
TY125T-18-03-010
Tyč řízení Torino ZZ
skladem
(3 ks)
1 258 Kč
+
−
Do košíku
TY125T-18-03-009
Ovládací prvky výpisu
3
položek celkem
×
Splátková kalkulačka ESSOX